Diagrama da caixa de fusíveis e relés – Dodge RAM 1500, 2500, 3500
Aplica-se a veículos novos em anos:
1994, 1995, 1996, 1997, 1998, 1999, 2000, 2001.
Caixa de fusíveis do painel de instrumentos
Os fusíveis estão localizados no lado esquerdo do painel de instrumentos.
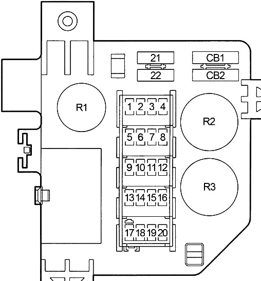
Diagrama 1994-1997
| Número | Amps [A] | Descrição |
|---|---|---|
| 1 | 20 | 1996-1997: Tomada de corrente |
| 2 | – | – |
| 3 | – | – |
| 4 | – | – |
| 5 | 20 | Acendedor de charuto, tomada (1994-1995) |
| 6 | 15 | 1994-1995: Pisca-pisca do sinal de mudança de direcção |
| 20 | 1996-1997: Pisca o sinal de mudança de direcção | |
| 7 | 10 | 1994-1995: Rádio |
| 15 | 1996-1997: Rádio | |
| 8 | 20 | Módulo de controlo do limpa pára-brisas intermitente, acesso remoto sem chave (1996-1997), interruptor do limpa pára-brisas intermitente, motor do limpa pára-brisas, embraiagem de ar condicionado (Diesel (1994-1995)) |
| 9 | 10 | Relé de bomba de combustível, relé de embreagem do compressor A/C, relé de desligamento automático, solenóide de sobrealimentação da transmissão, solenóide EGR, módulo de controlo do trem de força (PCM), módulo de ignição, solenóide de desligamento de combustível de alta pressão (apenas modelos a GNC), solenóide EGR (apenas modelos GNC), solenóide de corte de combustível, relés do sistema de admissão de ar aquecido, conector de diagnóstico, relé de corte automático, solenóide de limpeza EVAP/ciclo |
| 10 | 2 | 1994-1995: Controlo da velocidade dos veículos |
| 11 | 10 | Interruptor de overdrive, módulo de campainha, consola superior |
| 12 | 15 | Módulo de diagnóstico de airbag, painel de instrumentos, centro de mensagens, luz de espera de arranque do motor diesel e água combustível. |
| 13 | 5 | Iluminação, interruptor de luz de nevoeiro, interruptor de overdrive, painel de instrumentos, controlo do aquecedor de ar condicionado, consola aérea, rádio |
| 14 | 20 | 1994-1995: Módulo RWAL e ABS |
| 20 | 1996-1997: Controlo do travão antibloqueio, relé motor bomba ABS, relé de luz de aviso ABS, sensor de vácuo | |
| 15 | 15 | Espelho automático dia/noite, luzes de marcha atrás (interruptor de posição de estacionamento/neutro (A/T), interruptor de luz de marcha atrás (M/T), luzes diurnas |
| 16 | 15 | Módulo de diagnóstico de airbag |
| 17 | 15 | Entrada após ignição desligada, memória do relógio, debaixo da lâmpada do capô, interruptor do espelho de alimentação, relé de atraso de tempo, módulo de campainha, conector de ligação de dados, relé de bloqueador de rádio, interruptor da lâmpada do porta-luvas, rádio |
| 18 | 15 | 1994-1995: Candeeiros de estacionamento |
| 15 | 1996-1997: Interruptor de faróis, rádio, consola aérea, relé de luz de nevoeiro | |
| 19 | 20 | Fechaduras eléctricas para portas |
| 20 | 15 | Luzes de paragem, controlador do sistema de travagem antibloqueio (1996-1997) |
| 21 | – | – |
| 22 | 30 | Motor do ventilador |
| CB1 | 30 | Disjuntor: Vidros eléctricos |
| CB2 | 30 | Disjuntor: tomadas de corrente |
| R1 | Atraso | |
| R2 | Pisca alerta de perigo | |
| R3 | Ligar o pisca-pisca de sinal | |
Esquema 1998-2001
| Número | Amps [A] | Descrição |
|---|---|---|
| 1 | 15 | Relé de assento aquecido, módulo de cronometragem central |
| 2 | 10 | Relé do motor do ventilador, selector de temperatura do aquecedor A/C, actuador da porta mista, interruptor do banco do condutor aquecido, interruptor do banco do passageiro aquecido, interruptor do espelho aquecido |
| 3 | 10 | Controlador de travão anti-bloqueio (ABS) |
| 4 | 10 | Estafeta de rádio |
| 5 | 5 | Rádio, painel de instrumentos, controlo de aquecimento do ar condicionado, lâmpada porta-copos, lâmpada do receptor de cinzas, interruptor aquecido do banco do condutor, interruptor aquecido do banco do passageiro |
| 6 | 25 | Interruptor do limpa pára-brisas intermitente, módulo de temporização central, bomba de lavagem do pára-brisas, motor do limpa pára-brisas, relé do motor do limpa pára-brisas |
| 7 | 10 | Interruptor de posição Park/neutral (PNP) (A/T), interruptor de luz inversa (M/T), módulo de luz diurna contínua |
| 8 | 10 | Rádio |
| 9 | 10 | Módulo de controlo do trem de potência, relé da bomba de combustível (gasolina), módulo de controlo do motor (Diesel) |
| 10 | 10 | Centelha combinada |
| 11 | 10 | Espelho automático dia/noite, consola superior, módulo de cronometragem central, solenóide EVAP/pré-carga, relé de aquecimento de combustível (Diesel), embraiagem do compressor de ar condicionado |
| 12 | 10 | Interruptor de alimentação do espelho, luz da cúpula, luz da carga, conector de ligação de dados, rádio, luz e interruptor do porta-luvas, consola superior, luz debaixo da capota, viseira esquerda/lâmpada, viseira direita/lâmpada |
| 13 | 10 | Interruptor da janela da porta do condutor/ interruptor de bloqueio, janela da porta do passageiro/ interruptor de bloqueio, unidade central de cronometragem |
| 14 | 10 | Grupo |
| 15 | 20 | Isqueiro |
| 16 | – | – |
| 17 | 10 | Grupo |
| 18 | 10 | Módulo de controlo de airbag |
| 19 | 10 | Módulo de controlo de airbag, interruptor para ligar/desligar o airbag do passageiro |
| 20 | 20 | Disjuntor: janela da porta do condutor/ interruptor de bloqueio, janela da porta do passageiro/ interruptor de bloqueio |
| 21 | 20 | Disjuntor: Interruptor de alimentação do banco do condutor, interruptor de alimentação do banco do passageiro |
| R1 | Pisca combinado | |
| R2 | Assento aquecido | |
Caixa de fusíveis no compartimento do motor
Diagrama 1994-1997
| Número | Amps [A] | Descrição |
|---|---|---|
| 1 | 50 | Centro de distribuição de energia, bloco de fusíveis |
| 2 | 40 | Bloco de fusíveis, interruptor de ignição, relé de arranque do motor de ignição |
| 3 | 40 | Interruptor de ignição, bloco de fusíveis |
| 4 | 30 | Relé de desligamento automático, sensores de oxigénio, módulo de controlo do trem de força (PCM), injectores de combustível, bobinas de ignição, módulo de controlo EGR |
| 5 | 20 | 1994-1995: Bomba de combustível |
| 40 | 1996-1997: Relé motor bomba ABS, unidade de controlo hidráulico, controlador anti-bloqueio do travão e válvula anti-bloqueio da roda traseira | |
| 6 | 30 | 1994-1995: Lâmpadas de reboque |
| 40 | 1996-1997: Módulo de luz diurna contínua, bloco de fusíveis, interruptor de farol, interruptor de regulação da intensidade luminosa do farol | |
| 7 | 40 | 1994-1995: Stop/Front |
| 1996-1997: Protecção electrónica de travagem, relé de reboque de reboque, conector de reboque | ||
| 8 | 40 | 1994-1995: Bomba ABS |
| 20 | 1996-1997: relé de bomba de combustível, relé de controlo de transmissão, módulo de controlo de unidade de potência, módulo de bomba de combustível, montagem de solenóide de transmissão | |
| 9 | 15 | 1996-1997: Relé de luz de nevoeiro, interruptor de luz de nevoeiro |
| 10 | 20 | Embraiagem do compressor A/C, relé de buzina |
| 11 | 15 | 1994-1995: Pisca alerta de perigo |
| 20 | 1996-1997: Pisca alerta de perigo | |
| 12 | 120 | Gerador |
| R1 | Sistema de travagem antibloqueio / tanque duplo 3 | |
| R2 | Arrancador | |
| R3 | 1994-1995: Luz de aviso ABS | |
| 1996-1997: Desligamento automático | ||
| R4 | Bomba de combustível | |
| R5 | 1994-1995: Lâmpadas de reboque | |
| 1996-1997: Lâmpada de nevoeiro (N.º 1) / Depósito duplo 1 | ||
| R6 | 1994-1995: Trompa | |
| 1996-1997: Lâmpada de nevoeiro (N.º 2) / Depósito duplo 2 | ||
| R7 | 1994-1995: Embraiagem de ar condicionado | |
| 1996-1997: Luz de aviso ABS | ||
| R8 | 1994-1995: Desligamento automático | |
| 1996-1997: Atrelado | ||
| R9 | 1996-1997: Trompa | |
| R10 | 1996-1997: Embraiagem de ar condicionado | |
| R11 | 1996-1997: Controlo da caixa de velocidades | |
Esquema 1998-2001
| Número | Amps [A] | Descrição |
|---|---|---|
| 1 | 50 | Bloco de junção ((compartimento de passageiros) Fusíveis: “1”, “4”, “12”, “13”, “14”, “21”) |
| 2 | 30 | Interruptor de ignição |
| 3 | 20 | Gasolina: módulo de controlo da unidade de tracção, relé da bomba de combustível |
| 20 | Diesel: módulo de controlo do motor, módulo de controlo da unidade de tracção, relé da bomba de combustível, | |
| 4 | 20 | Bloco de ligação (pisca-pisca combinado (compartimento de passageiros)) |
| 5 | 20 | Interruptor da luz de paragem, segurança do travão eléctrico, luz de paragem central montada em altura, interruptor de sinal de mudança de direcção / interruptor de perigo |
| 6 | 30 | Relé de desligamento automático, injector, bobina de ignição, condensador, sensor de oxigénio, sensor de oxigénio após relé, módulo de controlo da unidade de potência |
| 7 | 40 | Relé aquecedor de combustível |
| 8 | 40 | Conector de reboque de reboque, travão eléctrico, relé de reboque de reboque |
| 9 | 30 | Relé motor de arranque |
| 10 | 50 | Interruptor de ignição |
| 11 | 40 | Controlador de travão anti-bloqueio (ABS) |
| 12 | 40 | Relé de motor soprador |
| 13 | 140 | Gerador |
| A | – | – |
| B | 15 | Farol direito externo |
| C | 15 | Reflector exterior esquerdo |
| D | – | – |
| E | 15 | Farol esquerdo, farol direito, relé quádruplo de feixe alto |
| F | 20 | Interruptor do farol |
| G | 15 | Relé de segurança, módulo de luz diurna contínua, relé de luz de nevoeiro, interruptor selector de faróis, farolim exterior esquerdo, farol exterior direito |
| H | 20 | Relé de buzina, módulo central de cronometragem, mola do relógio |
| I | 20 | Relé de controlo da caixa de velocidades |
| J | 10 | Embraiagem do compressor A/C |
| K1 | 15 | |
| K2 | 15 | |
| L | 20 | Tomada de alimentação |
| M | – | – |
| R1 | Bomba de combustível | |
| R2 | – | |
| R3 | Trompa | |
| R4 | Quadruplicação dos semáforos | |
| R5 | Luz nevoeiro | |
| R6 | Sensor de oxigénio – traseiro | |
| R7 | Motor do limpador de pára-brisas | |
| R8 | Segurança | |
| R9 | ASD | |
| R10 | Embraiagem do compressor A/C | |
| R11 | – | |
| R12 | Controlo da caixa de velocidades | |
| R13 | – | |
| R14 | Aquecedor de combustível | |
| R15 | Arrancador | |
| R16 | Motor do ventilador | |
| R17 | Reboque de reboque | |



