Mercedes-Benz Classe S A217 (2014-2018) – diagrama da caixa de fusíveis
Ano de produção: 2014, 2015, 2016, 2017, 2018.
Fusível de isqueiro (tomada eléctrica) na Mercedes Classe S A217 (2014-2018). é um fusível de 430 e 460 na caixa de fusíveis na parte de trás.
Fusível e caixa de relé no compartimento do motor

| Não. | Descrição | Amps |
| 100 | Híbrido: bomba de vácuo | 40 |
| 101 | Manga de ligação, circuito 87/2 | 15 |
| 102 | Manga de ligação, circuito 87/2 | 20 |
| 103 | Conector, circuito 87M4 | 15 |
| 104 | Conector, circuito 87M3 | 15 |
| 105 | Válido para a transmissão 722.9: Unidade de controlo para a bomba de óleo de transmissão auxiliar | 15 |
| 106 | Aquecedor de estacionamento do limpa pára-brisas | 25 |
| 107 | Aplica-se a motores 277, 279: Ligação eléctrica do motor de arranque / bomba de ar | 60 |
| 108 | Válido para faróis dinâmicos LED SAE para tráfego à direita ou faróis dinâmicos LED :: montagem da lâmpada dianteira esquerda montagem de lâmpada dianteira direita válido sem farol SAE Dynamic LED farol para tráfego do lado direito ou farol Dynamic LED :: Montagem de lâmpada frontal direita |
20 |
| 109 | Motor do limpador de pára-brisas | 30 |
| 110 | Válido para faróis dinâmicos LED de código SAE para tráfego à direita ou farol dinâmico LED :: Farol dianteiro esquerdo Farol direito Válido sem os faróis dinâmicos LED SAE para tráfego à direita ou faróis dinâmicos LED :: Farol dianteiro esquerdo |
20 |
| 111 | Arrancador | 30 |
| 112 | Fusível do motor e módulo de relé | 5 |
| 113 | Reserva | – |
| 114 | Compressor AIRmatic | 40 |
| 115 | Buzina esquerda Buzina direita | 15 |
| 116 | Híbrido: relé da bomba de vácuo | 5 |
| 117 | Reserva | – |
| 118 | Híbrido: unidade de controlo do programa de estabilidade electrónica | 5 |
| 119 | Bucha do conector do circuito 87 / C2 | 15 |
| 120 | Bucha do conector do circuito 87 / C1 | 7,5 |
| 121 | Unidade electrónica de controlo do programa de estabilidade | 5 |
| 122 | Híbrido: Relé HÍBRIDO | 5 |
| 123 | Unidade de controlo Assistente de visão nocturna | 5 |
| 124 | Híbrido: Conector eléctrico para o interior do veículo e compartimento do motor | 5 |
| 125 | Unidade de controlo frontal SAM | 5 |
| 126 | Unidade de controlo Powertrain Válido para motor diesel: Unidade de controlo CDI Aplica-se a motor a gasolina: Unidade de controlo ME-SFI [ME] |
5 |
| 127 | Reserva | – |
| 128 | Interruptor de luz exterior | 5 |
| 129A | Híbrido: circuito de arranque 50 relé | 30 |
| 129B | Válido excepto para híbridos: 50 relé do circuito de arranque | 30 |
| Estafeta | ||
| E | Relé 15 no compartimento do motor | |
| H | 50 relé de arranque | |
| I | Relé de bomba de vácuo de travagem | |
| J | Híbrido: Relé HÍBRIDO | |
| K | Relé de bomba de óleo de transmissão | |
| L | Relé de buzina | |
| M | Relé de aquecedor de posição de estacionamento do limpa pára-brisas | |
| N | Circuito de revezamento 87 M. | |
| O | Válido excepto para híbridos: Relé 15 do circuito de arranque | |
| P | Relé de injecção de ar secundário | |
| Q | Híbrido: relé da bomba de vácuo | |
| R | Relé AIRmático | |
Painel de fusíveis do painel de instrumentos

| Não. | Descrição | Amps |
| 200 | Unidade de controlo frontal SAM | 40 |
| 201 | Unidade de controlo frontal SAM | 40 |
| 202 | Sirene de alarme | 5 |
| 203 | W222: Controlador de aquecimento do banco do condutor | 30 |
| 204 | Conector de diagnóstico | 5 |
| 205 | Unidade de controlo electrónico de interbloqueio da ignição | 7,5 |
| 206 | Relógio analógico | 5 |
| 207 | Unidade de controlo climático | 20 |
| 208 | Conjunto de instrumentos | 7,5 |
| 209 | Painel de controlo do ar condicionado frontal | 5 |
| 210 | Unidade de controlo do módulo de luz de direcção | 10 |
| 211 | Reserva | – |
| 212 | Reserva | – |
| 213 | Unidade electrónica de controlo do programa de estabilidade | 25 |
| 214 | Reserva | – |
| 215 | Reserva | – |
| 216 | Reserva | – |
| 217 | versão japonesa: Unidade de controlo dedicada para comunicações de curto alcance | 5 |
| 218 | Unidade de controlo adicional para o sistema de retenção | 5 |
| 219 | Unidade de controlo do sistema de detecção de peso (WSS) Reconhecimento da ocupação do lugar do passageiro da frente e ACSR |
5 |
| 220 | CONTROLO DE VISÃO MÁGICA | 15 |
| Estafeta | ||
| D | CONTROLO DE VISÃO MÁGICA | |
| E | Estafeta de reserva | |
| F | Estafeta, circuito 15R | |
Caixa de fusíveis na sala das pernas dos passageiros

- Circuito 30 “E1” ligação
- Circuito 30g “E2” de ligação
| Não. | Descrição | Amps |
| 301 | Taxímetro de espelho | 5 |
| 302 | Controlador da porta da frente direita | 30 |
| 303 | W222: Controlador porta traseira esquerda C217, A217: Controlador traseiro |
30 |
| 304 | W222: Controlador porta traseira direita C217, A217: Controlador traseiro |
30 |
| 305 | Unidade de controlo do banco do condutor | 30 |
| 306 | Unidade de controlo do banco do passageiro da frente | 30 |
| 307 | W222: Módulo servo inteligente para DIRECT SELECT | 30 |
| C217, A217: Controlador de aquecimento do banco do condutor | 30 | |
| 308 | Controlador de aquecimento dos bancos do passageiro da frente | 30 |
| 309 | Unidade de controlo do sistema de chamada de alarme Módulo de comunicação de serviços telemáticos Unidade de controlo HERMES |
5 |
| 310 | Unidade de controlo de aquecedor estacionário | 25 |
| 311 | Motor do ventilador traseiro | 10 |
| 312 | Unidade de controlo do painel de controlo suspenso | 10 |
| 313 | Híbrido e Híbrido Plus: unidade de controlo de electrónica de potência | 10 |
| 314 | A217: Sistema de alarme anti-roubo (designação em coordenação) | 7,5 |
| 315 | Unidade de controlo Powertrain Válido para motor a gasolina: Unidade de controlo ME-SFI Válido para motor 642, 651: Unidade de controlo CDI |
10 |
| 316 | Reserva | – |
| 317 | W222: Módulo de controlo para o tejadilho panorâmico deslizante C217, A217: Controlador CONTROLO DO CÉU MÁGICO |
30 |
| 318 | Ecrã áudio / COMAND | 15 |
| 319 | Módulo de controlo de tejadilho panorâmico deslizante C217, A217: Módulo de controlo para os cegos panorâmicos. |
30 |
| 320 | Unidade de Controlo da Unidade de Controlo do Corpo Activo AIRmatic (funciona excepto para Controlo Activo do Corpo) |
15 |
| 321 | C217, A217: Módulo servo inteligente para DIRECT SELECT | 20 |
| 322 | unidade de controlo COMAND | 15 |
| 323 | Unidade de controlo para sistema de retenção adicional | 7,5 |
| MF1 / 1 | versão japonesa: Unidade dedicada de controlo de comunicações de curto alcance | 7,5 |
| MF1 / 2 | Câmara multifunções monocromática Câmara multifunções estéreo |
7,5 |
| MF1 / 3 | Sensor de chuva / luz com funções adicionais Controlador no painel de controlo |
7,5 |
| MF1 / 4 | Unidade de controlo do banco do condutor | 7,5 |
| MF1 / 5 | Unidade de controlo do banco do passageiro da frente | 7,5 |
| MF1 / 6 | Unidade de controlo do módulo de luz de direcção | 7,5 |
| MF2 / 1 | Gerador de atomizadores de perfumes | 5 |
| MF2 / 2 | Painel de controlo áudio / COMAND Touchpad |
5 |
| MF2 / 3 | Unidade electrónica de controlo do programa de estabilidade | 5 |
| MF2 / 4 | Ecrã principal | 5 |
| MF2 / 5 | Híbrido e Híbrido Plus: Compressor de refrigerante eléctrico | 5 |
| MF2 / 6 | Reserva | – |
| MF3 / 1 | Unidade de controlo frontal SAM | 5 |
| MF3 / 2 | Unidade de controlo de sensor de radar | 5 |
| MF3 / 3 | COMANDO o motor do ventilador | 5 |
| MF3 / 4 | Grupo de botões no painel de instrumentos do lado do condutor Grupo de botões no painel de instrumentos central |
5 |
| MF3 / 5 | Unidade de controlo do ar condicionado traseiro | 5 |
| MF3 / 6 | a partir de 01.06.2016: Interruptor de antenas para telefone e aquecedor estacionário | 5 |
Rastilho traseiro e caixa de relé

- Circuito 30 “E1” ligação
- Circuito 30g “E2” de ligação
| Não. | Descrição | Amps |
| 400 | Unidade de controlo do sistema de estacionamento (assistente de estacionamento activo ou câmara de 360 graus) | 10 |
| 401 | Controlador da tampa do tronco | 5 |
| 402 | Controlador de entretenimento traseiro | 7,5 |
| 403 | Reserva | – |
| 404 | Controlador de aquecimento do braço | 7,5 |
| 405 | Dispositivo Amplificador do Sistema de Controlo de Som. Tweeter do sistema de controlo da porta dianteira esquerda Tweeter da unidade de controlo da porta frontal direita |
7,5 |
| 406 | Reserva | – |
| 407 | Reserva | – |
| 408 | Módulo sintonizador | 5 |
| 409 | Unidade de controlo de câmara 360 invertendo |
5 |
| 410 | Unidade de controlo da tampa da câmara | 5 |
| 411 | Unidade de controlo do monitor de pressão dos pneus | 5 |
| 412 | Controlador de aquecimento dos bancos traseiros | 7,5 |
| 413 | Visor traseiro esquerdo Ecrã traseiro direito |
10 |
| 414 | Amplificador/compensador do sistema de antena de telemóveis traseiro berço traseiro do telemóvel parte de trás da placa de contacto do telemóvel Módulo telefónico Bluetooth ® (Perfil SAP) |
7,5 |
| 415 | Reserva | – |
| 416 | Reserva | – |
| 417 | Unidade de controlo de reconhecimento de reboque | 20 |
| 418 | Reserva | – |
| 419 | Reserva | – |
| 420 | Unidade de controlo do conversor DC / AC | 30 |
| 421 | Bomba pneumática multi-contornos com assento | 30 |
| 422 | W222: Controlador porta traseira direita | 30 |
| 423 | Reserva | – |
| 424 | Unidade de controlo SAM traseira | 40 |
| 425 | Reserva | – |
| 426 | Amplificador de altifalante de graves | 30 |
| 427 | Controlador de aquecimento do braço | 20 |
| 428 | Unidade de controlo de reconhecimento de reboque | 15 |
| 429 | Suporte de copo traseiro | 10 |
| 430 | Acendedor de cigarros com cinzeiro, traseiro Isqueiro com iluminação tomada da consola central traseira 12V da consola central traseira (embalagem de cinzeiro / embalagem para fumadores) |
15 |
| 431 | Frigorífico traseiro do encosto do banco | 15 |
| 432 | Unidade de controlo SAM traseira | 10 |
| 433 | Unidade de controlo AdBlue ® | 25 |
| 434 | Unidade de controlo AdBlue ® | 15 |
| 435 | Unidade de controlo AdBlue ® | 20 |
| 436 | Suporte de copo traseiro | 20 |
| 437 | Reserva | – |
| 438 | C217 com motor 157: Motor de accionamento da aba de escape direita | 7,5 |
| 439 | C217 com motor 157: Motor de accionamento da aba de escape esquerda | 7,5 |
| 440 | Reserva | – |
| 441 | Reserva | – |
| 442 | Reserva | – |
| 443 | Reserva | – |
| 444 | Reserva | – |
| 445 | Receptor estacionário de controlo remoto do aquecedor de rádio | 5 |
| 446 | Amplificador de antena FM 1, AM, CL [ZV] e KEYLESS-GO | 5 |
| 447 | Híbrido: unidade de controlo do sistema de gestão de baterias | 7,5 |
| 448 | Reserva | – |
| 449 | Reserva | – |
| 450 | Reserva | – |
| 451 | Tomada de reboque | 15 |
| 452 | Sensor de radar de pára-choques traseiro esquerdo Sensor de radar Sensor de radar do centro do pára-choques traseiro direito pára-choques traseiro |
5 |
| 453 | Sensor de radar do pára-choques dianteiro esquerdo Sensor de radar pára-choques dianteiro direito Controlador de PREVENÇÃO DE COLISÃO ASSISTÊNCIA. |
5 |
| 454 | Unidade de controlo AdBlue ® Unidade unidade de controlo do sistema de combustível |
5 |
| 455 | Controlador de controlo de transmissão totalmente integrado | 15 |
| 456 | Reserva | – |
| 457 | Aplica-se à bateria de iões de lítio: Condensador de bateria de arranque | 7,5 |
| 458 | Reserva | – |
| 459 | Reserva | – |
| 460 | Acendedor de cigarros frontal com iluminação de cinzeiro | 15 |
| 461 | Tomada de 12 volts da consola central traseira direita Tomada 12 V de DC / AC conversor da unidade de controlo |
15 |
| 462 | Tomada de tronco | 15 |
| 463 | Reserva | – |
| 464 | Unidade de controlo de reconhecimento de reboque | 20 |
| 465 | Controlador eléctrico do travão de estacionamento | 30 |
| 466 | Controlador da porta dianteira esquerda | 30 |
| 467 | Unidade de controlo KEYLESS-GO | 10 |
| 468 | Controlador eléctrico do travão de estacionamento | 30 |
| 469 | Unidade de controlo do sistema de combustível | 25 |
| 470 | Controlador de aquecimento do assento traseiro esquerdo Controlador de aquecimento banco traseiro |
30 |
| 471 | Controlador de aquecimento do banco traseiro direito | 30 |
| 472 | C217, A217: Unidade de controlo traseiro | 30 |
| 473 | Unidade de controlo de reconhecimento de reboque | 20 |
| 475 | Unidade de controlo do amplificador do sistema de som | 40 |
| 476 | Unidade de controlo do amplificador do sistema de som | 40 |
| 477 | Unidade de controlo activo da fivela de cinto C217, A217: Unidade de controlo traseiro |
40 |
| 478 | Controlador do banco traseiro esquerdo | 30 |
| 479 | Unidade de controlo activo da fivela de cinto | 40 |
| 480 | Controlador do banco traseiro direito | 30 |
| 481 | Retractor de voltagem de emergência reversível frontal esquerdo | 5 |
| 482 | W222: Unidade de controlo MAGIC SKY CONTROL. | 5 |
| C217, A217: Unidade de controlo MAGIC SKY CONTROL. | 7,5 | |
| 483 | Retractor de voltagem de emergência reversível frontal direita | 5 |
| 484 | Controlador de assento traseiro direito banco traseiro esquerdo |
7,5 |
| 485 | Unidade de controlo activo da fivela de cinto | 5 |
| 486 | Híbrido: Unidade de controlo do sistema de gestão de baterias. unidade de controlo de electrónica de potência |
10 |
| 487 | Controlador eléctrico do travão de estacionamento | 5 |
| 488 | Unidade de controlo SAM traseira | 5 |
| 489 | Sensor de radar de longo alcance frontal | 5 |
| 490 | Bomba pneumática multicontour com assento | 5 |
| 491 | Controlador da tampa do tronco | 40 |
| 492 | Retractor de voltagem de emergência reversível frontal direita | 40 |
| 493 | Reserva | – |
| 494 | Unidade de controlo SAM traseira | 40 |
| 495 | Aquecedor de janela traseira | 40 |
| 496 | Retractor de voltagem de emergência reversível frontal esquerdo | 40 |
| Estafeta | ||
| S | Relé interior do veículo 15 | |
| T | Relé de aquecimento da janela traseira | |
| U | Porta bebidas da segunda fila de bancos e relé de bancos | |
| V | Estafeta AdBlue ® | |
| W | Circuito 15R relé | |
| X | 1ª fila de assentos / caixa frigorífica de tronco e relé de tomada | |
| Y | Estafeta de reserva | |
Caixa de pré-fusíveis do compartimento do motor
Vista do fundo

Vista de cima

1 – Ligação, circuito 30 “B1
2 – Ligação, circuito 30 não travado “B2”.
| Não. | Descrição | Amps |
| M3 | Híbrido: máquina eléctrica | 500 |
| Válido excepto para híbridos: alternador | 500 | |
| M1 | Híbrido: máquina eléctrica | – |
| Válido excepto para Híbrido: Arrancador | – | |
| MR5 | Unidade de controlo de direcção assistida eléctrica | 100 |
| MR2 | Motor do ventilador | 100 |
| M4 | Híbrido: w Controlador de controlo de transmissão totalmente integrado | 100 |
| I1 | Reserva | – |
| M2 | Aplica-se ao motor diesel: estágio de potência de brilho | 150 |
| MR1 | Fusível motor e módulo de relé | 60 |
| MR3 | Reserva | – |
| MR4 | Válido para 277, 279 motores: Motor do ventilador | 150 |
| I2 | Reserva | – |
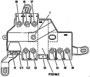
Caixa inicial dentro do veículo

F32 / 4k2 – Relé de corte de corrente de repouso
| Não. | Descrição | Amps |
| I7 | Caixa de fusíveis à direita no pilar A. | 125 |
| I2 | Fusível esquerdo e módulo de relé | 125 |
| C2 | Reserva | – |
| I8 | Reserva | – |
| I9 | Reserva | – |
| I3 | Ligação do relé de corte de corrente sem carga | – |
| C1 | Regulador do ventilador | 40 |
| I1 | Unidade electrónica de controlo do programa de estabilidade | 40 |
| I4 | Reserva | – |
| I6 | Fusível traseiro e módulo de relé | 60 |
| I5 | A caixa de fusíveis no pilar A da direita. | 60 |
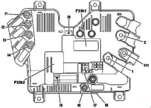
Pré-caixa traseira

F33k1 – Estafeta
desacoplamento F33k2 – Relé de bateria adicional com função ECO start/stop
| Não. | Descrição | Amps |
| I3 | Reserva | – |
| I2 | Unidade de controlo do aquecimento do pára-brisas | 125 |
| I7 | Híbrido: dispositivo de desconexão de alta tensão | 7,5 |
| I4 | Fusível traseiro e módulo de relé | 150 |
| I6 | Bateria adicional com função ECO start / stop | 200 |
| I7 | Função ECO start/stop bateria secundária Unidade de controlo frontal SAM Unidade de controlo electrónico de interbloqueio da ignição |
10 |
| I1 | Reserva | – |
| I11 | Reserva | – |
| I7 | Unidade de controlo frontal SAM | 10 |
| I8 | Função ECO start / stop ligação de relé de bateria adicional | – |
| I5 | Híbrido: Fusível pirotécnico de alta voltagem accionado pela unidade de controlo do sistema de contenção secundário | – |
| I9 | Ligação de relé de desacoplamento | – |