Mercedes-Benz SLK R172 (2010-2018) – caixa de fusíveis

Mercedes-Benz SLK R172 (2010-2018) – diagrama da caixa de fusíveis

Ano de produção: 2010, 20122, 2012, 2013, 2014, 2015, 2016, 2017, 2018.

Fusível de isqueiro (tomada eléctrica) em Mercedes SLK R172 (2010-2018). é o fusível 9 na caixa de fusíveis no compartimento do motor.

Caixa de fusíveis – localização

Mercedes-Benz SLK (R172) – diagrama da caixa de fusíveis – localização

F32 / F32 / 5 – Caixa de fusíveis frontal.
N10 / 1 – Unidade de controlo SAM frontal com fusível e módulo de relé
N10 / 2 – Unidade de controlo SAM traseira com fusível e módulo de relé

Caixa de fusíveis no compartimento do motor

Mercedes-Benz SLK (R172) – diagrama da caixa de fusíveis – compartimento do motor
Não. Descrição [A]
1 Unidade electrónica de controlo do programa de estabilidade 25
2 Controlador de telhado Vario 30
3 Vario Roof Controller 30
4 Controlador de faróis (para o ano modelo 2017)
Aplica-se ao motor diesel: Sensor de condensação do filtro de combustível com elemento de aquecimento (para o ano modelo 2017).
20
5 Unidade de controlo SAM traseira com fusível e módulo de relé
Direcção assistida electro-hidráulica através do compartimento do motor / conector eléctrico FFS (a partir do ano 2017 modelo)
Interruptor de luz exterior (a partir do ano modelo 2017)
7.5
6 Aplica-se ao motor diesel: Unidade de controlo CDI
Aplica-se ao motor a gasolina: Unidade de controlo ME-SFI
10
7 Arranque via relé 50 circuito de arranque 20
8 Unidade de controlo para sistema de retenção adicional 7.5
9 Tomada interior do veículo, frente
Acendedor de cigarros com iluminação de cinzeiro
15
10 Motor
Limpador de pára-brisas Aquecedor de Estacionamento (até 2017 ano modelo)
30
11 Mostrar
Áudio / COMANDO Painel de Controlo Áudio / COMANDO
7.5
12 Unidade de controlo e manutenção de ACC
Unidade de controlo do painel de controlo suspenso
unidade de controlo do módulo luminoso do volante (estado do ano 2017 modelo)
7.5
13 Módulo de controlo do módulo de tubo de direcção
Câmara multifunções
7.5
14 Unidade electrónica de controlo do programa de estabilidade 7.5
15 Unidade de controlo para sistema de retenção adicional 7.5
16 Conector eléctrico do ventilador de rádio (a partir do ano 2017 modelo)
Válido com transmissão 725: INTERFACE DE SELECÇÃO DIRECTA (a partir do ano modelo 2017).
Conector eléctrico do módulo de navegação (até 2017 ano modelo)
5
Válido para caixa de velocidades 722: Unidade de controlo electrónico para o módulo de alavanca de mudanças
Válido com transmissão 725: INTERFACE DE SELECÇÃO DIRECTA
7.5
17 Montagem da luz frontal esquerda e montagem da luz frontal direita 30
Válido até 31 de Maio de 2012: Unidade de controlo para painel de controlo 7.5
18 Painel de controlo superior da unidade de controlo
controlo Painel de controlo suspenso
relé de apoio (para o ano modelo 2017)
7.5
19 Válido com caixa de velocidades 725: Unidade de controlo electrónico de interbloqueio da ignição
Aplica-se à transmissão manual:
Unidade de controlo electrónico de interbloqueio da ignição
Unidade de controlo da fechadura de direcção eléctrica
20
20 Unidade electrónica de controlo do programa de estabilidade 40
21 Lâmpada do porta-luvas 7.5
22 Motor do ventilador para motor de combustão interna e ar condicionado com controlo integrado (modelo 2017 ano e superior)
Aplica-se a motores 152, 271, 274, 276, 651: Feixe de cabos internos e conector eléctrico do feixe de cabos.
motor Aplica-se ao motor 276, 651: Conector eléctrico do compartimento do motor/veículo interno
Aplica-se ao motor 152, 271, 276, 651: Bucha de ligação do circuito 87 M2e.
Válido para motor 274: Casquilho de acoplamento, circuito 87/2 Aplicável a.
motor diesel:
Unidade de controlo CDI
Compartimento do motor / FFS [RBA] conector eléctrico (até 2017 ano modelo)
15
23 Válido para motores 152, 271, 274, 276: Conector eléctrico para feixe de cabos internos e feixe de cabos do motor.
Válido para motor diesel:
Válvula de controlo de quantidade
Circuito 87 M1e bucha de conector (modelo 2017 ano e superior) Aplica-se a.
Motor 276: Compartimento do motor / conector eléctrico interior do veículo (até 2017 modelo ano).
20
24 Válido para motores 152, 271, 274, 276: Conector eléctrico para o arnês interior e a cablagem do motor
Válido para motor 274: Relé da bomba de circulação do líquido de refrigeração
Aplica-se a motor diesel:
Compartimento do motor / conector eléctrico interior do veículo
Unidade de controlo CDI (até 2017 ano modelo )
Veículos na China: Actuador do obturador do radiador (a partir do ano modelo 2017)
15
25 Válido para Motor 276: Circuito 87 da bucha do conector M4e
Válido para motor 274: Circuito 87 da bucha de ligação M1
Válido para motor 152: Bucha do conector do circuito 87
Válido para motor diesel: Sensor de oxigénio antes do conversor catalítico
Válido para motor 651: (a partir de 01.06. 2015)
Unidade de controlo do sensor NOx a jusante do filtro de partículas
Unidade de controlo de sensor NOx após conversor catalítico SCR
15
26 Montagem da luz frontal esquerda e montagem da luz frontal direita (a partir do ano 2017 modelo)
Rádio (até 2017 ano modelo)
Controlador COMAND (até 2017 ano modelo)
20
27 Unidade de controlo electrónico de interbloqueio da ignição
Aplica-se a motor diesel: Unidade de controlo CDI
Aplica-se a motor a gasolina: Unidade de controlo ME-SFI
7.5
28 Conjunto de instrumentos
Relógio analógico
7.5
29 Motor de accionamento de ajuste de alcance do farol direito (a partir do ano 2017 modelo)
Montagem do farol direito (até 2017 ano modelo)
10
30 Motor de actuador de ajuste de alcance do farol esquerdo (estado do ano 2017 modelo)
Montagem do farol esquerdo (a partir do modelo do ano 2017)
10
31A Calkson esquerdo, Calkson direito 15
31B Buzina esquerda, Buzina direita 15
32 Válido para motor 274: Bomba de ar eléctrica (a partir do ano modelo 2017)
Válido para o motor 651: Unidade de controlo AdBlue
40
33 Válido para a transmissão 722: W Unidade de controlo de transmissão totalmente integrada 10
34 Unidade de controlo do sistema de combustível
Aplica-se ao motor 651: Unidade de controlo AdBlue
7.5
35 Unidade electrónica de controlo do programa de estabilidade
Sensor de radar integrado para o pára-choques traseiro externo direito e sensor de radar integrado para o pára-choques traseiro externo esquerdo (a partir do modelo ano 2017)
5
36 controlador de PREVENÇÃO DE COLISÃO ASSISTÊNCIA (modelo 2017 ano e superior)
Controlador eléctrico DISTRÓNICO
Sensor DISTRÓNICO frontal esquerdo (DTR) (até 2017 ano modelo)
Sensor DISTRÓNICO frontal direito (DTR) (até 2017 ano modelo)
7.5
Estafeta
J 15 circuitos de relé
K Circuito 15R relé
L Estafeta de reserva
M 50 relé de arranque
N Circuito motor 87 Relé
O Relé de buzina
P Válido para 271, 274 ou 651,9 motores a partir de 01.06.2015: Adblue® / relé de injecção de ar secundário
Q Válido até 29.02.2016: Estafeta de reserva
R Circuito de chassi 87 relé
Veja também:  Mercedes-Benz 190E (1990) - caixa de fusíveis

Caixa de fusíveis de tronco

Mercedes-Benz SLK (R172) – diagrama fusível – porta-bagagens.
Não. Descrição [A]
37 Banco do condutor NECK-PRO electroíman de encosto de cabeça
Banco do passageiro da frente NECK-PRO solenóide do encosto de cabeça
7.5
38 Reserva
39 Controlador da porta esquerda 30
40 Unidade de controlo do sistema de amortecimento adaptativo 15
41 Controlador da porta direita 30
42 Unidade de controlo do sistema de combustível 25
43 Reserva
44 Reserva
45 Reserva
46 Amplificador de antena FM, AM e CL [ZV] Amplificador de antenas
FM 2, DAB e TV (até ao ano modelo 2017)
Sirene de emergência
Sensor de protecção interior
7.5
47 Reserva
48 Reserva
49 Aquecedor de janela traseira 30
50 Retractor de tensão de emergência reversível à direita 50
51 Retractor de tensão de emergência reversível à esquerda 50
52 Reserva
53 Reserva
54 Reserva
55 Reserva
56 Reserva
57 Reserva
58 Reserva
59 Controlador eléctrico do travão de estacionamento 5
60 Reserva
61 Unidade de controlo AIRSCARF 25
62 Unidade de controlo do banco do condutor 30
63 Unidade de controlo AIRSCARF 25
64 Unidade de controlo do banco do passageiro da frente 30
65 Válido para 722, 725 de transmissão (ECO start/stop) (até 2017 ano modelo)
Bomba de óleo eléctrica
10
66 Reserva
67 Unidade de controlo do amplificador do sistema de som 40
68 Unidade de controlo de som do motor (a partir do ano modelo 2017) 15
69 Rádio (a partir do ano modelo 2017)
Controlador COMAND (a partir do ano modelo 2017)
20
70 Unidade de controlo do monitor de pressão dos pneus 5
71 Válido para motor 274: Motor de actuador de aba de escape esquerda (a partir do ano modelo 2017). 7.5
72 Ranhura de armazenamento na consola central (até 2017 ano modelo) 15
73 Válido para 274, 276 motores: Relé da bomba de circulação do refrigerador de ar de carga (a partir do ano modelo 2017). 10
74 Unidade de controlo KEYLESS-GO 7.5
75 Vario Roof Controller 20
76 Unidade de controlo MAGIC SKY CONTROL 7.5
77 Amplificador/compensador de antenas para sistema de telemóveis 5
78 Unidade de controlo da interface multimédia (até 2017 ano modelo) 7.5
79 Unidade de ligação multimédia (a partir do modelo do ano 2017)
Unidade de controlo de sensor de radar (até ao modelo ano 2017)
5
80 Unidade de controlo do sistema de estacionamento 7.5
81 Placa de contacto do telemóvel 5
82 Câmara de inversão (a partir do modelo do ano 2017) 5
83 Unidade dedicada de controlo de comunicações de curto alcance (a partir do ano modelo 2017)
Conector eléctrico para VICS e cobrança electrónica de portagens (até 2017 modelo ano)
7.5
84 Unidade de controlo de radiodifusão áudio digital (até 2017 modelo ano) Unidade de controlo
Unidade de controlo de radiodifusão áudio digital por satélite (SDAR) (até 2017 ano modelo)
5
85 Módulo sintonizador (a partir do ano modelo 2017)
Sintonizador de TV digital (até 2017 ano modelo)
7.5
86 Unidade de controlo da tampa da câmara (a partir do modelo ano 2017) 5
87 Unidade de controlo HERMES (a partir do ano modelo 2017)
Unidade de controlo eCall Rússia (GLONASS) (a partir do modelo do ano 2017)
Unidade de controlo do sistema de chamadas de emergência (até 2017 ano modelo)
7.5
88 Fonte de alimentação interna para unidade de controlo SAM traseira com fusível e módulo de relé 80
89 Controlador eléctrico do travão de estacionamento 30
90 Controlador eléctrico do travão de estacionamento 30
91 Reserva
92 Reserva
Estafeta
A Terminal 15 relé
B Circuito 15R relé (1)
C Relé do vidro traseiro aquecido
D Relé de bomba de combustível
E Reserva
F Relé de ajuste do assento
G Circuito de relé 15R (2)
Veja também:  Mercedes Classe C W203/C240 Automático 2003 - caixa de fusíveis

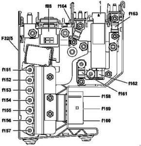
Caixa de pré-fusíveis frontal

ECO iniciar / parar

Mercedes-Benz SLK (R172) – diagrama da caixa de fusíveis – fusível frontal – ECO start / stop

Excepto ECO start / stop

Mercedes-Benz SLK (R172) – diagrama da caixa de fusíveis – fusível frontal – sem ECO start / stop
Não. Descrição [A]
150 Reserva
151 Motor do ventilador para motor de combustão interna e ar condicionado com controlos integrados 100
152 Unidade de controlo frontal SAM com fusível e módulo de relé 150
153 ECO start/stop: Unidade de controlo frontal SAM com fusível e módulo de relé
excepto ECO start/stop: spare
100
ECO start/stop (a partir do modelo do ano 2017): Unidade de controlo frontal SAM com fusível e módulo de relé 60
154 excepto ECO start/stop : unidade de controlo frontal SAM com fusível e módulo de relé
ECO start / stop: spare
100
155 Reserva
156 Reserva
157 Em vigor a partir de 01.06.2015 Direcção assistida electro-hidráulica 100
A partir do ano do modelo 2017: Direcção assistida electro-hidráulica 120
158 Regulador do ventilador e motor do soprador 50
A partir do ano do modelo 2017: Controlador do ventilador e motor do soprador 40
159 Vario Roof Controller 40
160 Válido com a transmissão 725: W Unidade de controlo de transmissão totalmente integrada 60
161 Unidade de controlo frontal SAM com fusível e módulo de relé 100
162 Reserva
163 Unidade de controlo SAM traseira com fusível e módulo de relé 150
A partir do ano do modelo 2017: Unidade de controlo SAM traseira com fusível e módulo de relé 200
164 ECO start/stop: Alimentação por ECO função start / stop Pacote de bateria adicional
excepto ECO start / stop: Alimentação eléctrica a partir da bateria do sistema eléctrico de bordo
100
A partir do ano do modelo 2017: Alimentação por ECO função start / stop do conjunto de baterias adicionais 200
Veja também:  Mercedes-Benz SLK R170 (1995-2004) - caixa de fusíveis

Função ECO start / stop relé de bateria adicional

Mercedes-Benz SLK (R172) – diagrama da caixa de fusíveis – função ECO start / stop relé de bateria adicional

Clara Serrano

Quão útil foi este post?

Clique numa estrela para o avaliar!

Avaliação média 0 / 5. Número de votos: 0

Nenhum voto até agora! Seja o primeiro a avaliar este post.

Sem comentários.

Deixe um comentário

O seu endereço de email não será publicado. Campos obrigatórios marcados com *