Mercedes-Benz Classe S (w222) (2014-2018) – diagrama da caixa de fusíveis
O Mercedes-Benz Classe S w222 é um carro no segmento dos veículos de luxo. O carro estreou em 2013 e é já a 6ª geração da Classe S do fabricante baseado em Estugarda. Como curiosidade, é o primeiro carro do mundo onde não se encontra uma única lâmpada. Foram substituídos por LEDs, é claro.
Ano de produção: 2014, 2015, 2016, 2017, 2018.
Fusível de isqueiro (tomada eléctrica) em Mercedes Classe S w222 (2014-2018). é o fusível 460 na caixa de fusíveis (atrás).
Fusível e caixa de relé no compartimento do motor
| Não. | Descrição | Amps [A] |
| 100 | Híbrido:
Bomba de vácuo. |
40 |
| 101 | Manga de ligação, circuito 87/2 | 15 |
| 102 | Manga de ligação, circuito 87/2 | 20 |
| 103 | Conector, circuito 87M4 | 15 |
| 104 | Manga de ligação, circuito 87M3 | 15 |
| 105 | Aplica-se à engrenagem 722.9:
Unidade auxiliar de controlo da bomba de óleo de transmissão. |
15 |
| 106 | Aquecedor de estacionamento do limpa pára-brisas | 25 |
| 107 | Aplica-se a motores 277, 279:
Ligação eléctrica do motor de arranque/bomba de ar. |
60 |
| 108 | Válido para faróis dinâmicos LED SAE para tráfego do lado direito ou faróis dinâmicos LED ::
Reflector frontal esquerdo; Reflector frontal direito; Válido sem farol dinâmico SAE LED para tráfego do lado direito ou farol dinâmico LED :: Reflector frontal direito. |
20 |
| 109 | Motor do limpador de pára-brisas | 30 |
| 110 | Válido para faróis dinâmicos LED de código SAE para tráfego à direita ou farol dinâmico LED ::
Reflector frontal esquerdo; Reflector frontal direito; Válido sem farol dinâmico SAE LED para tráfego do lado direito ou farol dinâmico LED :: Reflector frontal esquerdo. |
20 |
| 111 | Arrancador | 30 |
| 112 | Fusível do motor e módulo de relé | 5 |
| 113 | Reserva | – |
| 114 | Compressor AIRmatic | 40 |
| 115 | Buzina esquerda;
Buzina direita. |
15 |
| 116 | Híbrido:
Relé de bomba de vácuo |
5 |
| 117 | Reserva | – |
| 118 | Híbrido:
Unidade de controlo do programa electrónico de estabilidade. |
5 |
| 119 | Bucha para conector de circuito 87 / C2 | 15 |
| 120 | Bucha para conector de circuito 87 / C1 | 7,5 |
| 121 | Unidade de controlo do programa electrónico de estabilidade | 5 |
| 122 | Híbrido:
Estafeta HÍBRIDO |
5 |
| 123 | Unidade de controlo Night View Assist | 5 |
| 124 | Híbrido:
Conector eléctrico para o interior do veículo e compartimento do motor |
5 |
| 125 | Unidade de controlo frontal SAM | 5 |
| 126 | Módulo de controlo Powertrain;
Válido para motor diesel: Unidade de controlo CDI; Aplica-se a motor a gasolina: Unidade de controlo ME-SFI [ME]. |
5 |
| 127 | Reserva | – |
| 128 | Interruptor de luz exterior | 5 |
| 129A | Híbrido:
Circuito de arranque 50 relé. |
30 |
| 129B | Válido excepto para híbridos:
Circuito de arranque do relé 50. |
30 |
| Estafeta | ||
| G | Relé 15 no compartimento do motor | |
| H | Estafeta 50 de arranque | |
| I | Relé de bomba de vácuo de travagem | |
| J | Híbrido:
Estafeta HÍBRIDO |
|
| K | Relé da bomba de óleo da caixa de velocidades | |
| L | Relé de buzina | |
| M | Relé de aquecedor de posição de estacionamento do limpa pára-brisas | |
| N | Circuito de revezamento 87 M. | |
| O | Válido excepto para híbridos:
Circuito de partida do relé 15. |
|
| P. | Relé de injecção de ar secundário | |
| Q | Híbrido:
Relé de bomba de vácuo. |
|
| R | Relé AIRmático | |
Painel de instrumentos painel de fusíveis

| Não. | Descrição | Amps [A] |
| 200 | Unidade de controlo frontal SAM | 40 |
| 201 | Unidade de controlo frontal SAM | 40 |
| 202 | Sirene de alarme | 5 |
| 203 | W222:
Controlador do aquecimento do banco do condutor. |
30 |
| 204 | Conector de diagnóstico | 5 |
| 205 | Unidade de controlo electrónico de interbloqueio da ignição | 7,5 |
| 206 | Relógio analógico | 5 |
| 207 | Unidade de controlo climático | 20 |
| 208 | Conjunto de instrumentos | 7,5 |
| 209 | Painel de controlo do ar condicionado frontal | 5 |
| 210 | Unidade de controlo do módulo de luz de direcção | 10 |
| 211 | Reserva | – |
| 212 | Reserva | – |
| 213 | Unidade de controlo do programa electrónico de estabilidade | 25 |
| 214 | Reserva | – |
| 215 | Reserva | – |
| 216 | Reserva | – |
| 217 | versão japonesa:
Unidade dedicada de controlo de comunicações de curto alcance. |
5 |
| 218 | Unidade de controlo adicional para o sistema de retenção | 5 |
| 219 | Unidade de controlo do sistema de detecção de peso (WSS);
Reconhecimento da ocupação do lugar do passageiro da frente e ACSR. |
5 |
| 220 | CONTROLO DE VISÃO MÁGICA | 15 |
| Estafeta | ||
| D | CONTROLO DE VISÃO MÁGICA | |
| E | Estafeta de reserva | |
| F | Estafeta, circuito 15R | |
Caixa de fusíveis na zona dos pés dos passageiros

- Circuito 30 “E1” ligação
- Circuito 30g “E2” de ligação
| Não. | Descrição | Amps [A] |
| 301 | Taxímetro espelhado | 5 |
| 302 | Unidade de controlo da porta frontal direita | 30 |
| 303 | W222:
Controlador da porta traseira esquerda; C217, A217: Controlador traseiro. |
30 |
| 304 | W222:
Controlador da porta traseira direita; C217, A217: Condutor traseiro. |
30 |
| 305 | Unidade de controlo do banco do condutor | 30 |
| 306 | Unidade de controlo do banco do passageiro da frente | 30 |
| 307 | W222:
Módulo servo inteligente para o DIRECT SELECT. |
30 |
| C217, A217:
Controlador do aquecimento do banco do condutor. |
30 | |
| 308 | Unidade de controlo do aquecedor de banco do passageiro da frente | 30 |
| 309 | Unidade de controlo para o sistema de chamadas de emergência;
Módulo de comunicação de serviços telemáticos; Unidade de controlo HERMES. |
5 |
| 310 | Unidade de controlo de aquecedor estacionário | 25 |
| 311 | Motor do ventilador traseiro | 10 |
| 312 | Unidade de controlo do painel de controlo suspenso | 10 |
| 313 | Híbrido e Híbrido Plus:
Unidade de controlo de electrónica de potência. |
10 |
| 314 | A217:
Sistema de alarme anti-roubo (designação em coordenação). |
7,5 |
| 315 | Unidade de controlo da unidade de potência;
Válido para motor a gasolina: Unidade de controlo ME-SFI; Válido para motor 642, 651: Unidade de controlo CDI. |
10 |
| 316 | Reserva | – |
| 317 | W222:
Módulo de controlo para o telhado panorâmico retráctil; C217, A217: CONTROLO DO CÉU MÁGICO. |
30 |
| 318 | Ecrã áudio / COMAND | 15 |
| 319 | Módulo de controlo para o tejadilho panorâmico deslizante;
C217, A217: Módulo de controlo para os cegos panorâmicos. |
30 |
| 320 | Unidade de controlo activo do corpo
Unidade de controlo AIRmatic (funciona excepto para o Controlo Corporal Activo). |
15 |
| 321 | C217, A217:
Módulo servo inteligente para DIRECT SELECT |
20 |
| 322 | unidade de controlo COMAND | 15 |
| 323 | Unidade de controlo para o sistema de retenção adicional | 7,5 |
| MF1 / 1 | versão japonesa:
Unidade dedicada de controlo de comunicações de curto alcance. |
7,5 |
| MF1 / 2 | Câmara multifuncional monocromática;
Câmara estéreo multifuncional. |
7,5 |
| MF1 / 3 | Sensor de chuva e luz com funções adicionais;
Controlo no painel de controlo. |
7,5 |
| MF1 / 4 | Unidade de controlo do banco do condutor | 7,5 |
| MF1 / 5 | Unidade de controlo do banco do passageiro da frente | 7,5 |
| MF1 / 6 | Unidade de controlo do módulo de luz de direcção | 7,5 |
| MF2 / 1 | Gerador de atomizadores de perfumes | 5 |
| MF2 / 2 | Painel de controlo áudio/COMAND;
Touchpad. |
5 |
| MF2 / 3 | Unidade de controlo do programa electrónico de estabilidade | 5 |
| MF2 / 4 | Ecrã principal | 5 |
| MF2 / 5 | Híbrido e Híbrido Plus:
Compressor de refrigerante eléctrico |
5 |
| MF2 / 6 | Reserva | – |
| MF3 / 1 | Unidade de controlo frontal SAM | 5 |
| MF3 / 2 | Unidade de controlo de sensor de radar | 5 |
| MF3 / 3 | COMANDO o motor do ventilador | 5 |
| MF3 / 4 | Grupo de botões no painel de instrumentos do lado do condutor;
Um grupo de botões no tablier central. |
5 |
| MF3 / 5 | Unidade de controlo do ar condicionado traseiro | 5 |
| MF3 / 6 | a partir de 01.06.2016:
Interruptor de antena para telefone e aquecedor estacionário. |
5 |
Rastilho traseiro e caixa de relé

- Circuito 30 “E1” ligação
- Circuito 30g “E2” de ligação
| Não. | Descrição | Amps [A] |
| 400 | Unidade de controlo do sistema de estacionamento
(assistente de estacionamento activo ou câmara de 360 graus) |
10 |
| 401 | Controlo da tampa da bota | 5 |
| 402 | Controlador de entretenimento traseiro | 7,5 |
| 403 | Reserva | – |
| 404 | Controlador para aquecimento do apoio de braço | 7,5 |
| 405 | Unidade de controlo do amplificador do sistema de som;
Unidade de controlo do tweeter da porta dianteira esquerda; Unidade de controlo do tweeter da porta dianteira direita. |
7,5 |
| 406 | Reserva | – |
| 407 | Reserva | – |
| 408 | Módulo sintonizador | 5 |
| 409 | Unidade de controlo de câmara a 360
Câmara de inversão de marcha atrás |
5 |
| 410 | Unidade de controlo da tampa da câmara | 5 |
| 411 | Unidade de controlo do monitor de pressão dos pneus | 5 |
| 412 | Unidade de controlo do aquecedor do banco traseiro | 7,5 |
| 413 | Visor traseiro esquerdo;
Exposição traseira direita. |
10 |
| 414 | Amplificador/compensador do sistema de antena de telemóveis traseiro;
Módulo telefónico Bluetooth® (perfil SAP) |
7,5 |
| 415 | Reserva | – |
| 416 | Reserva | – |
| 417 | Unidade de controlo de reconhecimento de reboque | 20 |
| 418 | Reserva | – |
| 419 | Reserva | – |
| 420 | Unidade de controlo do conversor DC / AC | 30 |
| 421 | Bomba pneumática multicontour com assento | 30 |
| 422 | W222:
Unidade de controlo da porta traseira direita |
30 |
| 423 | Reserva | – |
| 424 | Unidade de controlo SAM traseira | 40 |
| 425 | Reserva | – |
| 426 | Amplificador de altifalante de graves | 30 |
| 427 | Controlador para aquecimento do apoio de braço | 20 |
| 428 | Unidade de controlo de reconhecimento de reboque | 15 |
| 429 | Suporte de copo traseiro | 10 |
| 430 | Isqueiro com cinzeiro iluminado, traseiro;
Acendedor de cigarros com iluminação da consola central traseira; Tomada de 12V da consola central traseira esquerda. |
15 |
| 431 | Frigorífico traseiro do encosto dos bancos | 15 |
| 432 | Unidade de controlo SAM traseira | 10 |
| 433 | Unidade de controlo AdBlue® | 25 |
| 434 | Unidade de controlo AdBlue® | 15 |
| 435 | Unidade de controlo AdBlue® | 20 |
| 436 | Suporte de copo traseiro | 20 |
| 437 | Reserva | – |
| 438 | C217 com motor 157:
Motor de accionamento da aba de escape direita. |
7,5 |
| 439 | C217 com motor 157:
Motor de accionamento da aba de escape esquerda. |
7,5 |
| 440 | Reserva | – |
| 441 | Reserva | – |
| 442 | Reserva | – |
| 443 | Reserva | – |
| 444 | Reserva | – |
| 445 | Receptor estacionário de controlo remoto do aquecedor de rádio | 5 |
| 446 | Amplificador de antenas FM 1, AM, CL [ZV] e KEYLESS-GO | 5 |
| 447 | Híbrido:
Unidade de controlo do sistema de gestão de baterias. |
7,5 |
| 448 | Reserva | – |
| 449 | Reserva | – |
| 450 | Reserva | – |
| 451 | Tomada de reboque | 15 |
| 452 | Sensor de radar de pára-choques traseiro esquerdo;
Sensor de radar de pára-choques traseiro direito; Sensor de radar de pára-choques traseiro central. |
5 |
| 453 | Sensor de radar de pára-choques frontal esquerdo;
Sensor de radar de pára-choques dianteiro direito; controlador de PREVENÇÃO DE COLISÃO ASSISTÊNCIA. |
5 |
| 454 | Unidade de controlo AdBlue®;
Unidade de controlo do sistema de combustível. |
5 |
| 455 | Controlador de controlo da caixa de velocidades totalmente integrado | 15 |
| 456 | Reserva | – |
| 457 | Aplica-se à bateria de iões de lítio:
Condensador de arranque da bateria. |
7,5 |
| 458 | Reserva | – |
| 459 | Reserva | – |
| 460 | Acendedor de cigarros frontal com iluminação de cinzeiro | 15 |
| 461 | Tomada central da consola traseira direita de 12 volts; Tomada para conversor 12 V DC / AC da unidade de controlo. |
15 |
| 462 | Tomada de encaixe | 15 |
| 463 | Reserva | – |
| 464 | Unidade de controlo de reconhecimento de reboque | 20 |
| 465 | Controlador eléctrico do travão de estacionamento | 30 |
| 466 | Unidade de controlo da porta dianteira esquerda | 30 |
| 467 | Unidade de controlo KEYLESS-GO | 10 |
| 468 | Controlador eléctrico do travão de estacionamento | 30 |
| 469 | Unidade de controlo do sistema de combustível | 25 |
| 470 | Unidade de controlo de aquecimento do banco traseiro esquerdo;
Unidade de controlo do aquecimento dos bancos traseiros. |
30 |
| 471 | Unidade de controlo de aquecimento do banco traseiro direito | 30 |
| 472 | C217, A217:
Unidade de controlo traseiro. |
30 |
| 473 | Unidade de controlo de reconhecimento de reboque | 20 |
| 475 | Unidade de controlo do amplificador do sistema de som | 40 |
| 476 | Unidade de controlo do amplificador do sistema de som | 40 |
| 477 | Unidade activa de controlo de fivelas de cinto;
C217, A217: Unidade de controlo traseiro. |
40 |
| 478 | Unidade de controlo do banco traseiro esquerdo | 30 |
| 479 | Unidade de controlo activo da fivela de cinto | 40 |
| 480 | Unidade de controlo do banco traseiro direito | 30 |
| 481 | Retractor de voltagem de emergência reversível frontal esquerdo | 5 |
| 482 | W222:
Unidade de controlo MAGIC SKY CONTROL. |
5 |
| C217, A217:
Unidade de controlo MAGIC SKY CONTROL. |
7,5 | |
| 483 | Retractor de voltagem de emergência reversível frontal direita | 5 |
| 484 | Controlador para banco traseiro direito e banco traseiro esquerdo | 7,5 |
| 485 | Unidade de controlo activo da fivela de cinto | 5 |
| 486 | Híbrido:
Unidade de controlo do sistema de gestão de baterias; Unidade de controlo de electrónica de potência. |
10 |
| 487 | Controlador eléctrico do travão de estacionamento | 5 |
| 488 | Unidade de controlo SAM traseira | 5 |
| 489 | Sensor de radar de longo alcance frontal | 5 |
| 490 | Bomba pneumática multicontour com assento | 5 |
| 491 | Controlo da tampa da bota | 40 |
| 492 | Retractor de voltagem de emergência reversível frontal direita | 40 |
| 493 | Reserva | – |
| 494 | Unidade de controlo SAM traseira | 40 |
| 495 | Aquecedor de janela traseira | 40 |
| 496 | Retractor de voltagem de emergência reversível frontal esquerdo | 40 |
| Estafeta | ||
| S | Relé interior do veículo 15 | |
| T | Relé de aquecimento da janela traseira | |
| U | Porta-bebidas e relé de tomada da segunda fila de bancos | |
| V | Relé AdBlue ® | |
| W | Circuito 15R relé | |
| X | 1ª fila de assentos/caixa do frigorífico e relé de tomada | |
| Y | Estafeta de reserva | |
Caixa de pré-fusíveis do compartimento do motor
Vista do fundo

Vista de cima

1 – Ligação, circuito 30 “B1
2 – Ligação, circuito 30 não aprovado “B2
| Não. | Descrição | Amps [A] |
| M3 | Híbrido:
Motor eléctrico. |
500 |
| Válido excepto para híbridos:
Alternador. |
500 | |
| M1 | Híbrido:
Motor eléctrico. |
– |
| Válido excepto para Híbrido:
Arrancador. |
– | |
| MR5 | Unidade de controlo de direcção assistida eléctrica | 100 |
| MR2 | Motor do ventilador | 100 |
| M4 | Híbrido:
Controlador de controlo da caixa de velocidades totalmente integrado. |
100 |
| I1 | Reserva | – |
| M2 | Aplica-se ao motor diesel:
Etapa de potência luminosa. |
150 |
| MR1 | Fusível motor e módulo de relé | 60 |
| MR3 | Reserva | – |
| MR4 | Válido para motores 277, 279:
Motor do ventilador. |
150 |
| I2 | Reserva | – |
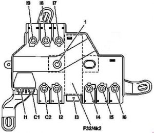
Caixa inicial dentro do veículo

F32 / 4k2 – Relé de corte de corrente de repouso
| Não. | Descrição | Amps [A] |
| I7 | Caixa de fusíveis no pilar A correcto. | 125 |
| I2 | Fusível esquerdo e módulo de relé | 125 |
| C2 | Reserva | – |
| I8 | Reserva | – |
| I9 | Reserva | – |
| I3 | Ligação de relé de corte de corrente sem carga | – |
| C1 | Regulador do ventilador | 40 |
| I1 | Unidade de controlo do programa electrónico de estabilidade | 40 |
| I4 | Reserva | – |
| I6 | Fusível traseiro e módulo de relé | 60 |
| I5 | Caixa de fusíveis no pilar A correcto. | 60 |
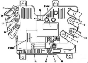
Caixa de entrada traseira

F33k1 – Estafeta
desacoplamento F33k2 – Relé de bateria adicional com função ECO start/stop
| Não. | Descrição | Amps [A] |
| I3 | Reserva | – |
| I2 | Unidade de controlo do aquecimento do pára-brisas | 125 |
| I7 | Híbrido:
Dispositivo de desconexão de alta tensão. |
7,5 |
| I4 | Fusível traseiro e módulo de relé | 150 |
| I6 | Bateria adicional com função ECO start/stop | 200 |
| I7 | Função ECO start/stop bateria secundária;
Unidade de controlo frontal SAM; Unidade de controlo electrónico de interbloqueio da ignição. |
10 |
| I1 | Reserva | – |
| I11 | Reserva | – |
| I7 | Unidade de controlo frontal SAM | 10 |
| I8 | Ligação da função ECO start/stop do relé de bateria adicional | – |
| I5 | Híbrido:
Fusível pirotécnico de alta tensão accionado pela unidade de controlo do sistema de contenção secundário |
– |
| I9 | Ligação de relé de desacoplamento | – |
